欢迎访问蒂普玛(常州)精密机械有限公司网站!
全国咨询热线:
13861276173
首页
关于我们
公司简介
企业文化
服务网络
场景展示
产品中心
涡轮式传动
凸轮式转运
其他附件
应用行业
新闻中心
公司动态
行业动态
联系我们
产品中心
涡轮式传动
凸轮式转运
其他附件
涡轮式传动
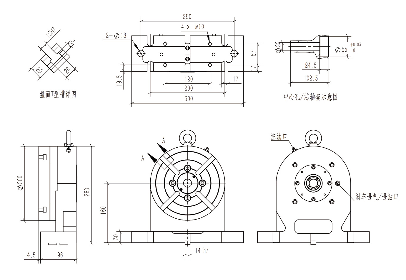
200尾座
在线咨询
0519-89613061
产品详情
更多产品
W400/500/630系列
170尾座
W125系列
涡轮式传动
返回
欢迎访问蒂普玛(常州)精密机械有限公司网站!
全国咨询热线:
13861276173
首页
关于我们
公司简介
企业文化
服务网络
场景展示
产品中心
涡轮式传动
凸轮式转运
其他附件
应用行业
新闻中心
公司动态
行业动态
联系我们